当前算力数据中心正朝着800V直流母线架构加速演进,士兰微电子凭借在半导体各细分领域的深厚积累,构建了“从电网到核心”的全链路供电解决方案,可为算力数据中心供电系统提供士兰“功率器件+电源管理IC”整体解决方案,包含SiC、GaN、DPMOS、LVMOS、eFuse、Multiphase Controller、DrMOS、POL 等产品,全面覆盖算力电源SST、HVDC、PSU、BBU、IBC、Hot-Swap、BoardPower、Accelerator Card等应用,为高性能计算应用的发展注入强劲动力。本篇将介绍士兰微电子在5.5kW PSU上的成套应用方案。


方案介绍
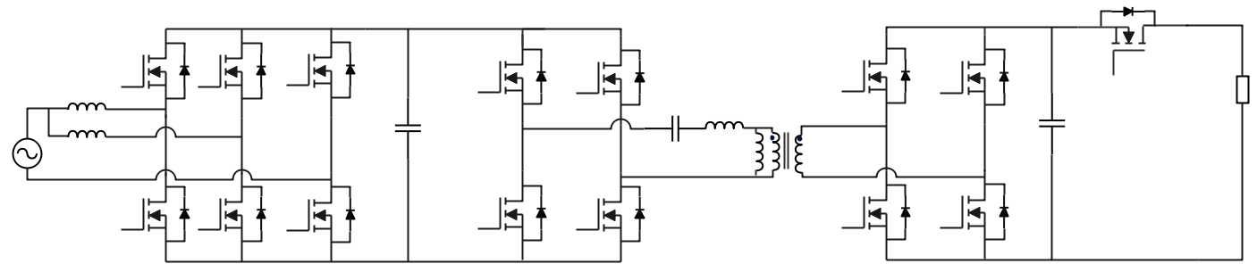
下图为由“图腾柱PFC+LLC”组成的5.5kW PSU。

在图腾柱 PFC、连续导通模式的高频高效拓扑中,快管承担高频硬开关动作,开关损耗决定了整机效率、温升与功率密度,需要选用低 Eon、Eoff 且栅电荷 Qg 优异的 SiC MOSFET。士兰微650V电压平台系列的SiC MOSFET产品(料号为SCDP65R040NB2LB)满足上述应用场景的需求,可显著降低高频工况下的能量损耗,提升系统整体转换效率,同时减少散热压力,支持更高频率、更高功率密度的电源设计,满足数据中心、服务器电源等场景对高效、高可靠供电的严苛需求。


PFC慢管工作在工频整流状态,导通损耗与直接决定整机效率、温升与运行可靠性。选用士兰微的低导通电阻 Rds (on)、正向压降优异,同时兼顾浪涌电流能力的超结 MOSFET(料号为SVSP60R022LBS5),在工频导通期间的损耗有效降低,提升系统效率与热稳定性。


在 LLC的SR位置,中重载情况下软关断,轻载情况下硬关断。士兰微的自研低压MOSFET(料号为SVGP081R8NL5-3HF)具有导通电阻 Rds (on)低、栅电荷 Qg 小、反向恢复特性优异的特点,能帮助客户提升半载和满载效率,优化轻载时EMC表现。


士兰微SiC MOS、超结MOS以及低压MOSFET方案已助力头部客户在5.5kW PSU 产品上实现功率转换效率达到97.5%。今后,士兰微电子将继续深耕算力数据中心供电领域,迭代推出更多先进产品,助力各电源客户实现更高的效率目标。
